
Enfriador de tornillo Copeland refrigerado por aire serie BSL (compresor único), temperatura de trabajo de 7-25 °C, control de temperatura de alta precisión.
La serie BSL (compresor simple) de enfriadores de tornillo scroll enfriados por aire es un dispositivo de refrigeración eficiente especialmente diseñado para las necesidades de enfriamiento industrial y es particularmente adecuado para escenarios con requisitos estrictos de precisión en el control de temperatura.
Número de artículo :
BSL-200ASEPedido (cantidad mínima de pedido) :
1Pago :
EXW/FOB/CIF/FCA/DPU/DDUOrigen del producto :
CHINAColor :
CustomizablePuerto de embarque :
SHANGHAI/NANJINGplazo de entrega :
20Peso :
2600KG
Se utiliza el compresor de tornillo semihermético de la marca Copeland, con una estructura compacta y una baja tasa de fallos. El diseño de un solo compresor simplifica la complejidad del sistema, reduce las pérdidas por enclavamiento entre los componentes y, a la vez, reduce los costes de mantenimiento. El compresor está equipado con un sistema de separación de aceite y gas de tres etapas, lo que garantiza la eficiencia de la lubricación y la pureza del refrigerante, prolongando así la vida útil del equipo.
Sistema de intercambio de calor de alta eficiencia
Evaporador y condensador: Adoptan un diseño de aletas, combinado con tubos de cobre fabricados con tecnología de soldadura sin oxígeno. Esta estructura aumenta la eficiencia de transferencia de calor en más de un 30% y reduce el consumo de energía.
Compatibilidad con refrigerantes: Compatible con diversos refrigerantes ecológicos, como R22, R407C y R134a. Se puede personalizar según las necesidades del cliente.
Notas clave sobre terminología técnica:
PLC+HMI: Abreviatura de “Controlador lógico programable + Interfaz hombre-máquina”, una configuración de control industrial estándar, por lo que se mantiene el acrónimo para mayor claridad.
PID: Nombre completo “Proporcional-Integral-Derivativo”, un algoritmo de control automático ampliamente utilizado; el acrónimo se utiliza comúnmente en documentos técnicos internacionales.
Códigos de refrigerantes (R22/R407C/R134a): designaciones unificadas por la industria para refrigerantes, que son consistentes en todos los estándares técnicos globales y no requieren traducción adicional.
Preguntas frecuentes
Q1: ¿Es usted una empresa comercial o un fabricante?
A1: Somos una empresa comercial de Jiangsu Rongyida Co., Ltd., con una sólida base de fabricación de equipos de control de temperatura. Esto nos permite ofrecer precios directos de fábrica y soluciones técnicas personalizadas.
P2: ¿Cómo puedo elegir el equipo de control de temperatura adecuado para mi fábrica?
A2: Simplemente envíenos la siguiente información:
Rango de temperatura requerido; Medio de calentamiento/refrigeración; Voltaje de suministro de energía; Industria/aplicación (por ejemplo, plástico, químicos, alimentos, etc.)
Nuestros ingenieros le recomendarán el mejor modelo para usted en 24 horas.
Q3: ¿Cuál es su tiempo de entrega?
A3: Normalmente, el plazo de entrega es de 7 a 15 días laborables para los modelos estándar y de 20 a 30 días para los sistemas personalizados. Confirmaremos el plazo de entrega exacto una vez finalizados los detalles del pedido.
Modelo y parámetros técnicos
| Modelo | Unidad | 100ASE | 140ASE | 180ASE | 200Plaza bursátil norteamericana | 230Plaza bursátil norteamericana | 260ASE |
| Rango de control de temperatura | Temperatura del agua de entrada 7-25℃ | ||||||
| Precisión de temperatura | PID±1℃ | ||||||
| Fuerza | CA 3Φ380 V 50 Hz 3P+E (5 M) | ||||||
| Medio de transferencia de calor | Agua | ||||||
| Método de enfriamiento | Enfriamiento indirecto | ||||||
| Capacidad de refrigeración | KW | 87 | 117 | 155 | 165 | 200 | 224 |
| Potencia de la bomba | HP | 35 | 45 | 60 | 70 | 80 | 90 |
| Caudal máximo de la bomba | L/min | 95 | 165 | 236 | 315 | 385 | 415 |
| Presión máxima de la bomba | Bar | 2 | 2.2 | 2.4 | 2.6 | 2.8 | 3 |
| Condensador (volumen de aire) | m³/h | 39000 | 45000 | 57000 | 64800 | 76000 | 93000 |
| Evaporador (flujo de agua) | m³/h | 15 | 20 | 27 | 28 | 34 | 39 |
| Potencia de un solo ventilador | KW | 0,42 | 0,55 | 0.8 | 0,85 | 0.8 | 1.1 |
| Dimensiones (mm) | L | 2500 | 3000 | 3300 | 3000 | 3000 | 3000 |
| W | 1200 | 1300 | 1300 | 1800 | 2000 | 2300 | |
| H | 2250 | 2250 | 2450 | 2350 | 2300 | 2300 | |
| Peso | kg | 1820 | 2000 | 2200 | 2450 | 2600 | 2800 |
Observaciones:
1. Condiciones de enfriamiento de la mesa: temperatura de entrada de agua fría 12 ℃, temperatura de salida 7 ℃, temperatura del aire 35 ℃;
2. Fuente de alimentación: 3P-380 V-50 Hz, lo que permite una fluctuación de voltaje de ±10 %, permite una diferencia de voltaje de ±2 %;
3. Los datos anteriores se refieren al refrigerante R22, si necesita refrigerante R407 u otros refrigerantes, contáctenos;
4.Los parámetros de especificación y las dimensiones están sujetos a cambios debido a la mejora del producto sin previo aviso.
000
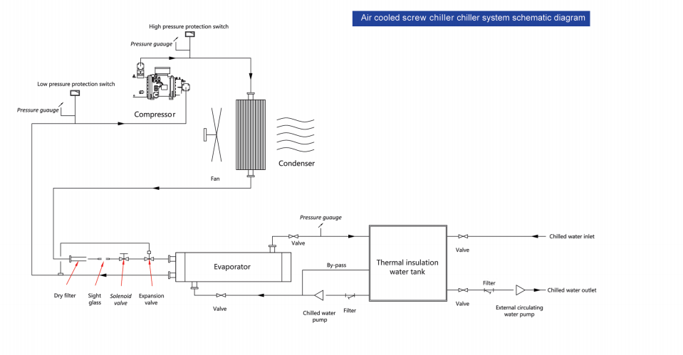
Diagrama de flujo del proceso

Caso de solicitud
Nuestro enfriador de tornillo refrigerado por aire se utiliza ampliamente en diversas aplicaciones industriales, como moldes de fundición, vulcanización de caucho, control de temperatura de ruedas, tecnología de prensado en caliente, producción de fibra de carbono y reacciones químicas. Garantiza una gestión precisa de la temperatura, mejorando la eficiencia de la producción y la calidad del producto en estos procesos.
Nuestro socio

Soluciones personalizadas para su negocio, ¡Contáctanos rápidamente!
Dejar un mensaje
Scan to Wechat/Whatsapp :